مقدمة المنتج
القضبان الثقيلة GB هي قضبان ثقيلة يتم إنتاجها وفقًا للمعايير الوطنية وتستخدم لبناء بنية تحمل مسارات السكك الحديدية. يتم إنتاجها باستخدام الفولاذ الهيكلي الكربوني عالي الجودة أو الفولاذ الهيكلي المنخفض. يضمن تصميم تكوين السبائك العلمية والتحكم الصارم في الصهر الأداء المستقر للصلب. أثناء عملية المتداول للقضبان ، يتم استخدام معدات وعمليات المتداول المتقدمة للتحكم بدقة في حجم السكك الحديدية وجودة السطح. من أجل التكيف مع ظروف نقل السكك الحديدية المختلفة ، يتم تنفيذ تحسين الأداء المتمايز لرأس السكك الحديدية ، وخصر السكك الحديدية وأسفل السكك الحديدية ، مثل علاج تعزيز رأس السكك الحديدية لتحسين مقاومة التآكل ، وتصميم الخصر للسكك الحديدية لضمان قوة ومرونة كافية ، وهيكل أسفل السكك الحديدية لتعزيز الاستقرار. يجب أن تجتاز القضبان الثقيلة النهائية سلسلة من اختبارات الأداء الصارمة وتفتيشات الجودة لضمان قدرتها على الحفاظ على الشكل الهندسي الجيد والخصائص الميكانيكية تحت الحمل طويل الأجل للقطارات ، مما يوفر ضمانات موثوقة لتشغيل وسائل النقل الآمنة والفعالة.
50 مليون قضبان هي الصلب الكربوني المتوسط ، وإضافة المنغنيز تزيد من قوة وصلابة 60 كجم من القضبان الثقيلة. لديها مقاومة ضغط جيدة ويمكنها تحمل الضغط الضخم للقطارات التي تعمل ، وهي مناسبة لخطوط السكك الحديدية ذات حركة المرور المتوسطة والسرعة. بعد المعالجة الحرارية المناسبة ، فإن صلابة السطح البالغة 50 مليون قضبان عالية ، مما يجعل 60 كيلوجرام من القضبان الثقيلة لديها مقاومة جيدة للارتداء ، ويمكن أن تقلل من ارتداء السكك الحديدية ، وتوسيع عمر الخدمة ، وتقليل تكاليف الصيانة.

تكون قوة الشد من القضبان U71MN عالية مثل 980-1100 MPA ، وقوة العائد هي 710MPa ، مما يجعل 60 كجم من القضبان الثقيلة قادرة على تحمل الجر الضخم وقوة التأثير للقطارات عالية السرعة وقطارات التحميل الثقيلة ، مما يضمن أن المسار لن ينكسر أثناء الاستخدام طويل الأمد.
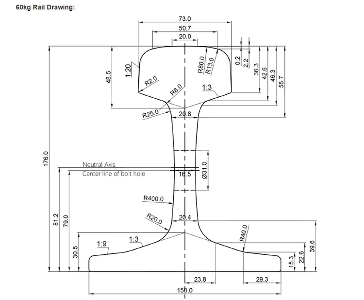
مواصفات المنتج

تعبئة المنتجات والتسليم
تستخدم تغليف السكك الحديدية الثقيل GB جهاز تثبيت مغناطيسي ، ويقوم بتثبيت حشية مغناطيسية صغيرة في جزء التلامس من السكك الحديدية لمساعدة حزام الفولاذ والأسلاك الفولاذية للتثبيت ، مما يعزز الاستقرار العام دون إتلاف سطح السكة. من حيث الوقاية من الصدأ ، يتم استخدام تقنية الوقاية من الصدأ البطيئة في الصدأ لتغليف مثبط الصدأ في microcapsules. عندما تزداد الرطوبة على سطح السكك الحديدية ، تمزق الكبسولات الدقيقة وتطلق مكونات الوقاية من الصدأ لتحقيق حماية ذكية. الطبقة الخارجية ملفوفة بمواد تغليف مركبة مركبة للأفلام البلاستيكية المقاومة للثقب.


شاركت جنيه في متورط عميق في التجارة الخارجية للسكك الحديدية GB لسنوات عديدة ، وتحتل موقعًا مهمًا في هذه الصناعة بقوتها الشاملة القوية ونظام الخدمات المثالي. لدينا فريق هندسة السكك الحديدية والتقني ، والذي يمكنه المشاركة في التخطيط المبكر للمشروع مع العملاء ، وتوفير حلول اختيار السكك الحديدية الثقيلة وتتبعها بناءً على تصميم الخط والطلب على حجم النقل وعوامل أخرى. تتعاون مع شركات التأمين المعروفة في الداخل والخارج لتوفير خدمات تأمين كاملة لنقل البضائع وتقليل مخاطر العملاء. إنشاء آلية ملاحظات العملاء ، وزيارة العملاء بانتظام ، وجمع آراء استخدام المنتج ومعلومات الطلب على السوق ، وتحسين المنتجات والخدمات باستمرار.







الوسم : 60kg 50mn u71mn مسار القطار الثقيل ، الصين 60 كجم 50mn U71mn تصنيع مسار القطار الثقيل والموردين والمصنع






